Dankzij een nieuwe spanningsregelaar is de verlichting in het Kinderdorp eindelijk stabiel. Plotselinge stroompieken veroorzaakten jarenlang kapotte lampen en donkere avonden.
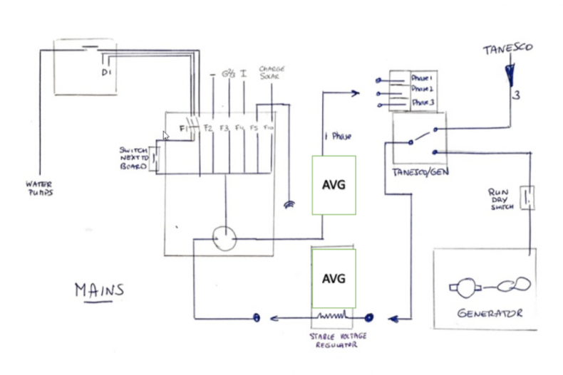
Jarenlang hadden we te maken met plotselinge spanningspieken vanuit het nationale elektriciteitsnet van TANESCO. Deze spanningspieken zorgden er regelmatig voor dat lampen - veelal relatief kostbare LED-lampen - doorbrandden. Dit leidde niet alleen tot hoge vervangingskosten, maar had ook directe gevolgen voor onze kinderen. Zo zaten zij geregeld in bijna volledige duisternis aan het avondeten, of durfden zij ’s nachts niet naar het toilet te gaan vanwege het gebrek aan licht.
“Vooral voor de jongere kinderen was dit erg beangstigend,” vertelt een van de mamas. “Zonder licht voelen ze zich onzeker, zeker als ze ’s avonds naar het sanitair moeten lopen.”
Om dit probleem aan te pakken, is recent een spanningsregelaar (AVG) geïnstalleerd. Deze vangt de pieken in de stroomtoevoer op en beschermt zo onze elektrische installatie. Sindsdien zijn het aantal kapotte lampen sterk verminderd, en kunnen onze kinderen rekenen op stabiele en veilige verlichting.
“Het verschil is echt merkbaar,” aldus James, onze Village Manager. “We hoeven niet meer constant lampen te vervangen en de kinderen voelen zich zichtbaar prettiger.”
Hoewel dit een kostbare technische aanpassing is, betekent het veel voor het dagelijks welzijn en de veiligheid van onze kinderen.
Nu de voorbereidingen voor de bouw van het Malaika Kids kinderdorp in Mkuranga van start zijn gegaan, was het ook tijd geworden om de eerste waterput te slaan.
Mariska's bezoek aan Malaika Kids
Het is al weer even geleden dat wij het Reception Home in Dar es Salaam en het kinderdorp van Malaika Kids in Mkuranga hebben mogen bezoeken, maar nog dagelijks speelt het door mijn hoofd.
Het eerste gebouw staat!
Het eerste gebouw van het Malaika Kids Kinderdorp in Mkuranga is klaar. Het gaat om het zogenaamde G2/3 gebouw met een oppervlakte van 22 bij 11 meter.